Struggling with Weak Bus Signals? DiscoverHigh-Performance Octal Buffers and Line Drivers

2026/03/06

When your system bus must remain stable under heavy load, how can you ensure that your signals stay clean and strong? Selecting the right octal buffers and line drivers is a critical decision in your design process.

The ET74LV541V from ETEK offers a high-performance solution purpose-built for signal buffering, bus driving, and circuit isolation. These octal buffers and line drivers enhance drive strength, protect upstream logic, and enable reliable management of shared data buses.

Octal Buffers and Line Drivers with Wide Voltage Support

The ET74LV541V operates across a supply voltage range of 2.0V to 5.5V, making it well suited for multi-voltage systems. Whether your design runs at 2.5V, 3.3V, or 5V, this device integrates seamlessly into your power architecture.

Inputs are TTL-compatible, allowing direct connection to standard logic families without the need for additional level-shifting circuitry. This simplifies design and reduces overall component count.

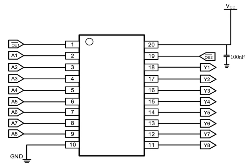
The typical application circuit includes clean VCC decoupling using a 100nF capacitor placed close to the device, ensuring stable operation. This represents a standard and reliable layout practice for octal buffers and line drivers in digital systems.

ET74LV541V Application Circuit

Eight-Channel Non-Inverting Architecture for Bus Isolation

The ET74LV541V features an eight-channel non-inverting buffer architecture. Each A input drives a corresponding Y output, ensuring straightforward and predictable signal flow.

Dual active-low output enable pins (OE1 and OE2) provide flexible three-state control:

✔ When OE1 = L and OE2 = L, the output follows the input
✔ When either enable is High, the outputs enter a high-impedance state (Z)

This three-state functionality enables effective bus isolation. In shared bus systems, only one device drives the bus at any given time, while others remain in high-impedance mode to prevent contention. For system designers and procurement engineers, this translates to safer bus control and reduced risk of signal conflict.

Strong ±35mA Drive for Demanding Loads

Drive capability is a key consideration when selecting octal buffers and line drivers. The ET74LV541V delivers up to ±35mA of output current, ensuring stable operation when driving:

✔ Long PCB traces
✔ Backplane buses
✔ Memory address registers
✔ High-capacitance loads

At VCC = 5V and CL = 15pF, the typical propagation delay from A to Y is as low as 3.5ns, supporting fast signal response in high-speed designs. Even with increased loads up to CL = 50pF, switching performance remains fast and stable, helping you maintain reliable timing margins across a wide range of bus conditions.

Enable and disable times are also specified, offering predictable switching behavior essential for high-speed digital systems with tight timing margins.

Clear Timing Characteristics for Design Accuracy

Access to reliable timing data helps minimize design risk. The ET74LV541V provides clearly specified timing parameters, including:

✔ Propagation delay (tPD) from input to output
✔ Output enable time (tEN)
✔ Output disable time (tDIS)

Input-to-output delay diagrams illustrate how timing is characterized, giving you a clear view of device behavior during signal transitions.

The test circuit used for switching time measurements is also provided, including defined load resistance and capacitance conditions to support accurate evaluation. For procurement engineers, this level of detail ensures the device meets system timing requirements before moving to mass production.

Optimized TSSOP20 Package for Easy PCB Layout

The ET74LV541V is offered in a TSSOP20 package (6.5mm × 4.4mm). The pinout places inputs on one side and outputs on the other, simplifying PCB routing and minimizing trace crossings.

On high-density boards, this layout improves signal integrity and shortens routing paths. For designers managing cost and layout efficiency, this feature makes integration easier and more straightforward.

The device also includes robust ESD protection and latch-up immunity, critical features for industrial applications and systems with multiple power rails.

Why Choose ETEK Octal Buffers and Line Drivers?

When sourcing octal buffers and line drivers, you need a solution that combines a wide 2.0V–5.5V operating range, TTL-compatible inputs, eight-channel non-inverting outputs, dual active-low enable control, ±35mA output drive capability, fast propagation delay, reliable three-state bus isolation, and a PCB-friendly TSSOP20 package—all in a single device.

The ET74LV541V delivers all of these features. It is engineered for stable bus driving, memory buffering, and digital signal isolation in multi-voltage environments.

If your project demands reliable signal buffering and strong drive performance, these octal buffers and line drivers offer a practical, high-performance solution.

Partner with ETEK for Stable Digital Design

ETEK is committed to delivering high-quality logic devices built for modern digital systems. If you are evaluating octal buffers and line drivers for your next project, the ET74LV541V is ready for qualification and volume production.

Contact ETEK today to request samples, detailed specifications, or volume pricing. Your bus system deserves stable, high-drive, and well-documented octal buffers and line drivers—and ETEK is ready to support your success.

→ Email: marketing@etekmicro.com
→ Request samples: https://www.etekmicro.com/sample/