LED Matrix Driver ET61626: A Smart and Stable Choice for 16×8 LED Matrix panels

2026/02/28

In modern smart devices, the LED matrix driver plays a essential role in how clearly information such as time, temperature, status, and dynamic icons is displayed. If you’re designing a product with a 16×8 LED matrix panel, you need a driver that is stable, efficient, and easy to control.

The ET61626 LED matrix driver from ETEK is purpose-built for this application. It supports up to a 16×8 LED matrix panel, driving a maximum of 128 LEDs with a single chip. This simplifies your design while keeping it compact and reliable.

LED Matrix Driver with 16×8 Support and 128 LEDs

The ET61626 is specifically designed for LED dot matrix panels and supports matrix sizes up to 16×8, equivalent to 128 individual LEDs. This allows smart devices to clearly display numbers, letters, symbols, and simple graphics.

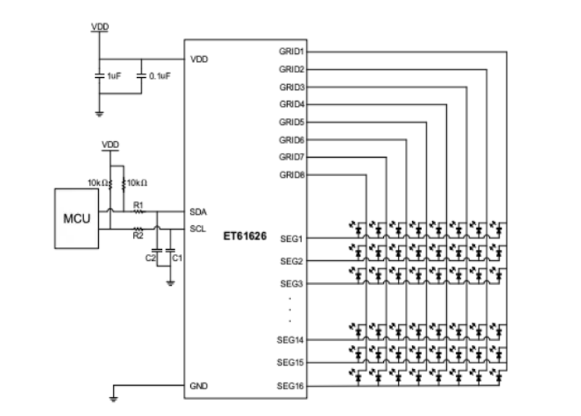
From a pin configuration standpoint, the driver integrates GRID1–GRID8 and SEG1–SEG16 outputs, along with SDA and SCL communication lines, plus VDD and GND power pins. The layout is straightforward and easy to route, helping to streamline your PCB design process.

The ET61626 is available in multiple package options, including the ET61626S and ET61626Y variants, to suit different design needs. You can choose from SOP28 (18mm × 7.5mm), EQSOP28 (9.8mm × 3.8mm), or QFN28 (4mm × 4mm) depending on your space constraints. This flexibility makes the driver suitable for both standard and space-constrained designs.

LED Matrix Driver with 256-Level PWM for Smooth Brightness Control

Display quality is heavily influenced by brightness control. The ET61626 supports 256-level PWM dimming for each individual LED, enabling smooth transitions and rich grayscale performance. The result is a soft, natural visual appearance with no abrupt changes in brightness.

In addition, the driver features 64-step global current adjustment, allowing you to fine-tune overall brightness to match different lighting conditions or reduce power consumption in battery-powered applications. Each channel provides constant current output of up to 30mA, ensuring stable and uniform illumination across the entire 16×8 matrix.

With this level of precision, the ET61626 delivers both strong performance and energy efficiency.

LED Matrix Driver with Robust Protection and Reliable Operation

For long-term reliability, the ET61626 includes multiple built-in protection features. It offers dual-level over-temperature protection—reducing output current at 125°C and shutting down at 150°C—to safeguard the chip from thermal damage.

The driver also comes with a power-on reset function, ensuring quick recovery after unexpected power loss. Adjustable dead time helps prevent scan conflicts, while a built-in blanking function minimizes ghosting and enhances visual clarity. A sleep mode further reduces power consumption when the panel is not in active use.

These features make the ET61626 well-suited for continuous operation in smart control panels and portable electronics.

LED Matrix Driver with I2C Interface for Easy Integration

The ET61626 communicates via a standard I2C interface. In a typical application, the MCU connects to the driver through SDA and SCL lines with pull-up resistors. This simple configuration reduces wiring complexity and saves valuable MCU pins.

The driver operates over a wide voltage range of 2.7V to 5.5V, making it compatible with both 3.3V and 5V systems. It also includes an integrated clock module and sleep mode, which simplifies system design and reduces standby power consumption.

With I2C-based control and wide voltage support, the ET61626 integrates easily into a broad range of smart devices.

Why This LED Matrix Driver Is a Smart Choice

When selecting an LED matrix driver for your next product, you need a solution that offers both performance and stability. The ET61626 supports a 16×8 LED matrix panel with up to 128 LEDs, provides 16-channel constant current output, and delivers 256-level PWM dimming with 64-step global current adjustment.

It also includes dual over-temperature protection, a blanking function, adjustable dead time, I2C communication, a built-in reset, and a sleep mode. Combined with multiple compact package options, the ET61626 gives you flexibility in both electrical and mechanical design.

Whether for smart home panels, small appliances, industrial indicators, or portable devices, this driver helps ensure a clear display and reliable operation.

Choose ETEK’s LED Matrix Driver for Your Next Project

When selecting an LED matrix driver, you want clear visuals, stable performance, and straightforward integration. The ET61626 from ETEK is designed to meet these requirements while supporting efficient and compact system design.

Whether you’re upgrading an existing product or developing a new smart device, this driver can help reduce design risk and enhance the user experience.

Contact ETEK today to learn more about the ET61626 LED matrix driver and request samples for your next project. Let ETEK support your innovation with reliable LED matrix driver solutions.

Email: marketing@etekmicro.com
Request samples: https://www.etekmicro.com/sample/